Przejdź do głównej treści
Zamknij wyszukiwarkę Wyczyść Szukaj
Produkty w koszyku: 0. Zobacz szczegóły

Pozostałe

Pozostałe

Produkty: 225
Produkty: 225
Pomiń filtry

Filtry

Cena
Zamknij ustawienia filtra Cena
Marka
Zamknij ustawienia filtra Marka
Marka
Więcej opcji (4)
Anuluj Zastosuj filtry
Koniec filtrów

Lista produktów

Domyślne Domyślne Nazwa produktu: od A do Z Nazwa produktu: od Z do A Cena: od najniższej Cena: od najwyższej
Cena 40,00 zł
Cena 115,00 zł
Cena 29,00 zł
Cena 25,00 zł
Cena 49,00 zł
Cena 66,00 zł
Cena 3,00 zł
Cena 59,00 zł
Cena 59,00 zł
Cena 35,00 zł
Cena 20,00 zł
Cena 55,00 zł
Cena 129,00 zł
Cena 10,00 zł
Cena 4,00 zł
Cena 9,00 zł
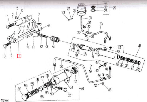
Kod produktu 88276002

Dźwignia prawa URSUS C-385

Cena 55,00 zł
Cena 149,00 zł
Cena 16,00 zł
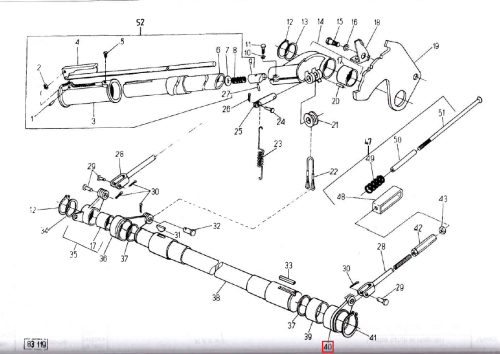
Kod produktu 80231045

Dźwignia URSUS C-385

Cena 10,00 zł
Cena 38,00 zł
Kod produktu PI 36010 RN DRG 40

Filtr układu hydraulicznego URSUS / MAHLE

Cena 390,00 zł
Cena 10,00 zł
Cena 58,00 zł
Pomiń filtry

Filtry

Cena
Zamknij ustawienia filtra Cena
Marka
Zamknij ustawienia filtra Marka
Marka
Więcej opcji (4)
Anuluj Zastosuj filtry
Koniec filtrów
Renowacja ciągnika Ursus C-360
Renowacja ciągnika Zetor Bocian 25K

Zawsze darmowa przesyłka

Na terenie Polski dla każdego zamówienia powyżej 500 zł

(nie dotyczy przesyłek niestandardowych oraz paletowych)